
モリタは、高効率・高耐久・超軽量の無給油式ピストン真空ポンプ 『MPDV-90』の開発に成功しました。 従来のロータリー式に替わる、次世代の真空ポンプです。
ピストン式真空ポンプはロータリー式大型真空ポンプと同等のパワーカーブを描きながら、最高真空度は抜きん出ています。
●MJDV-120ロータリー式大型真空ポンプ
●MJDV-100ロータリー式大型真空ポンプ
※性能表は当社テストによるものです。


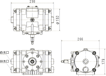
| 形式 | MPDV-90 |
|---|---|
| 全長 | 266mm |
| 全幅 | 298mm |
| 全高 | 179mm |
| ストローク | 34mm |
| 質量 | 16kg |
| 1回転あたりの排気量 | 973mL |
